语言选择
English
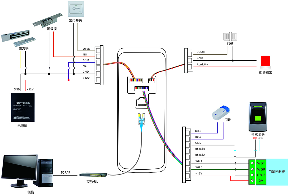
安装接线
2021-07-02 11:13

C103接线图220721.jpg


连线简易图:

1645692292121220.jpg